
注册地址:深圳市龙华区观澜街道广培社区高尔夫大道5号5O
中国总装交付工厂地址:江西省赣州市赣州经济技术开发区秋山科技园B2栋
电话:400-800-6237
手机:136-0300-3362
邮箱: zhp.liu@v-ken.cn
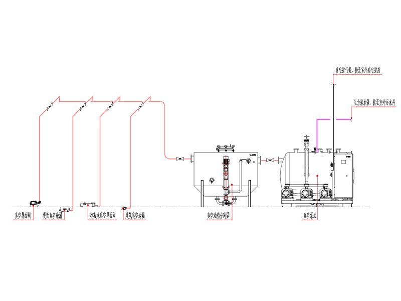
产品名称:室内餐饮真空排水系统;
主要配置:真空油脂分离器(又名真空隔油隔渣装置)、真空泵站(真空泵、真空排污泵、真空收集罐和控制系统)、真空排水末端(真空地漏、真空界面阀)、真空管道系统;
功能描述:室内餐饮真空排水系统是通过真空系统收集餐饮废水,利用真空设备使排水管路内产生一定真空度,利用压差,通过空气推送含油废水高效传输至真空油脂分离器中,隔油处理之后,再排至真空收集罐中,当罐内废水到达一定液位后,真空排污泵启动,将罐内废水排至室外废水井或隔油池中,智能化的集成式真空排水系统,以真空收集技术为基础,集合污水收集、污水传输、污水管理以及集成式智能化管理系统,解决建筑排水问题,节约施工成本,创造空间、商业价值;
应用场景:
①适用于下方是人防或地铁车辆段的商业场所;
②适用于业态变换频繁,管道布置变化大,无法满足重力流坡度或对管道布置走向有严格限定的商业场所,如商业综合体、美食城等;
③适用于历史建筑或保护性建筑中的餐厅;
④适用于如[敏感词]餐厅、精品私房菜、五星级酒店厨房、日料店等的高端餐饮场所;
⑤适用于如中央厨房、食品加工厂、航空配餐、学校或医院食堂等对食品安全等级要求极高的场所;
⑥适用于如大型超市餐饮商铺改造、旧商场餐饮区翻新等的旧餐饮区改造场所。
详询厂家技术人员